产品分类

 
www.emh.com.cn  

脉冲测试转换器: IMP-F1

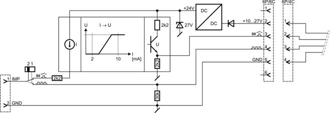
  脉冲测试转换器: IMP-IF1用来检测电能表的多种电能脉冲,包括: 发射触点信号、晶体管输出端和真正的S0-接口。它可以同EMH公司的标准表、现校仪、便携式装置和成套电能检定装置配套使用。

IMP-IF1的主要功能

  通过IMP-IF1底侧面的小开关,可以选择上述检测功能。在其左侧的接口可以接入专用的连接导线,用于连接不同的标准表、现校仪、便携式装置和成套电能检定装置。根据配套仪器和装置的不同,选择相应的连接导线,并且可以方便地更换连接导线。

原理框图

返回首页 | 关于EMH | 网站地图 | 联系我们     京ICP备05030191

您现在的位置:产品展示/测试附件/IMP-F1